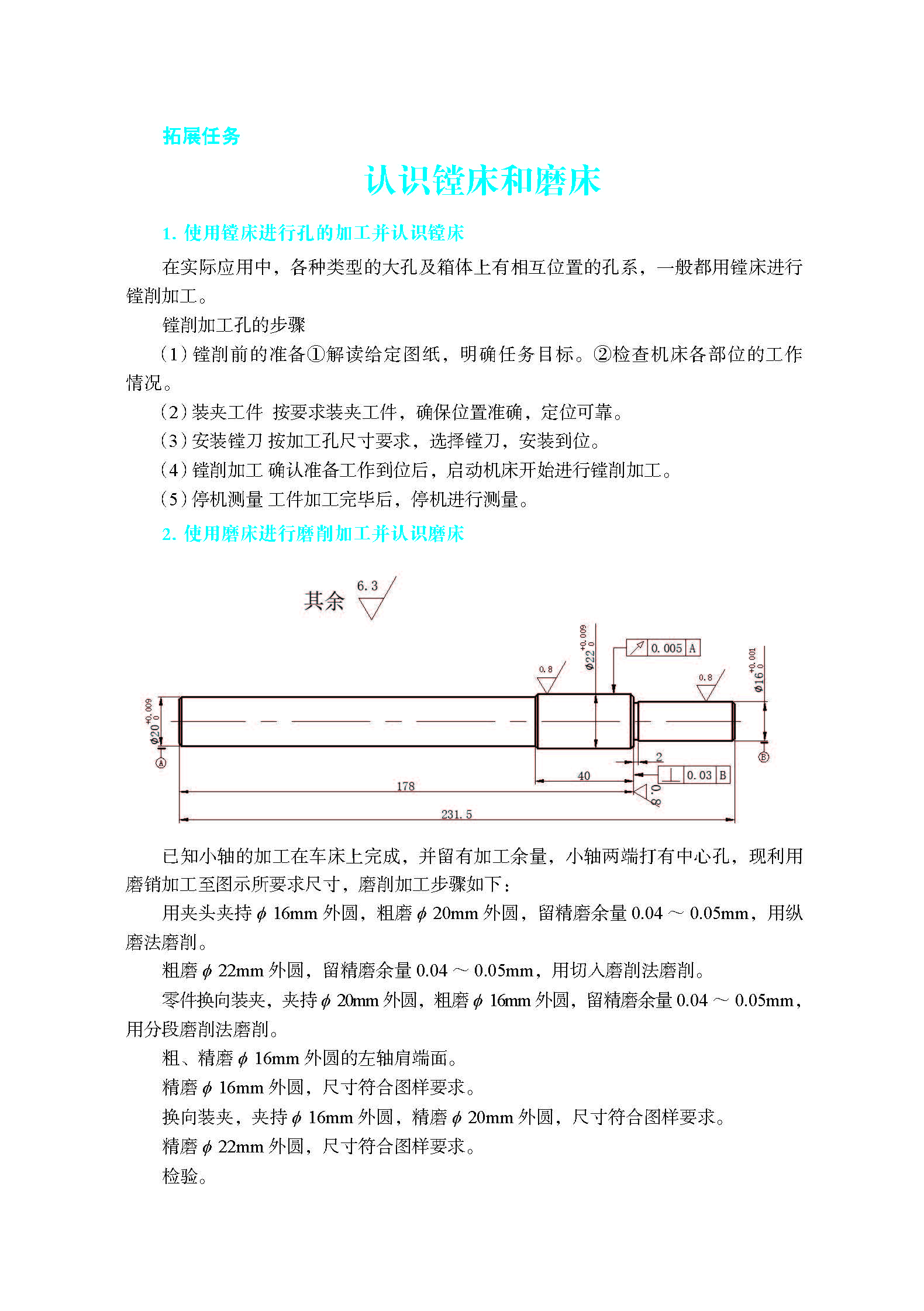
认识镗床和磨床