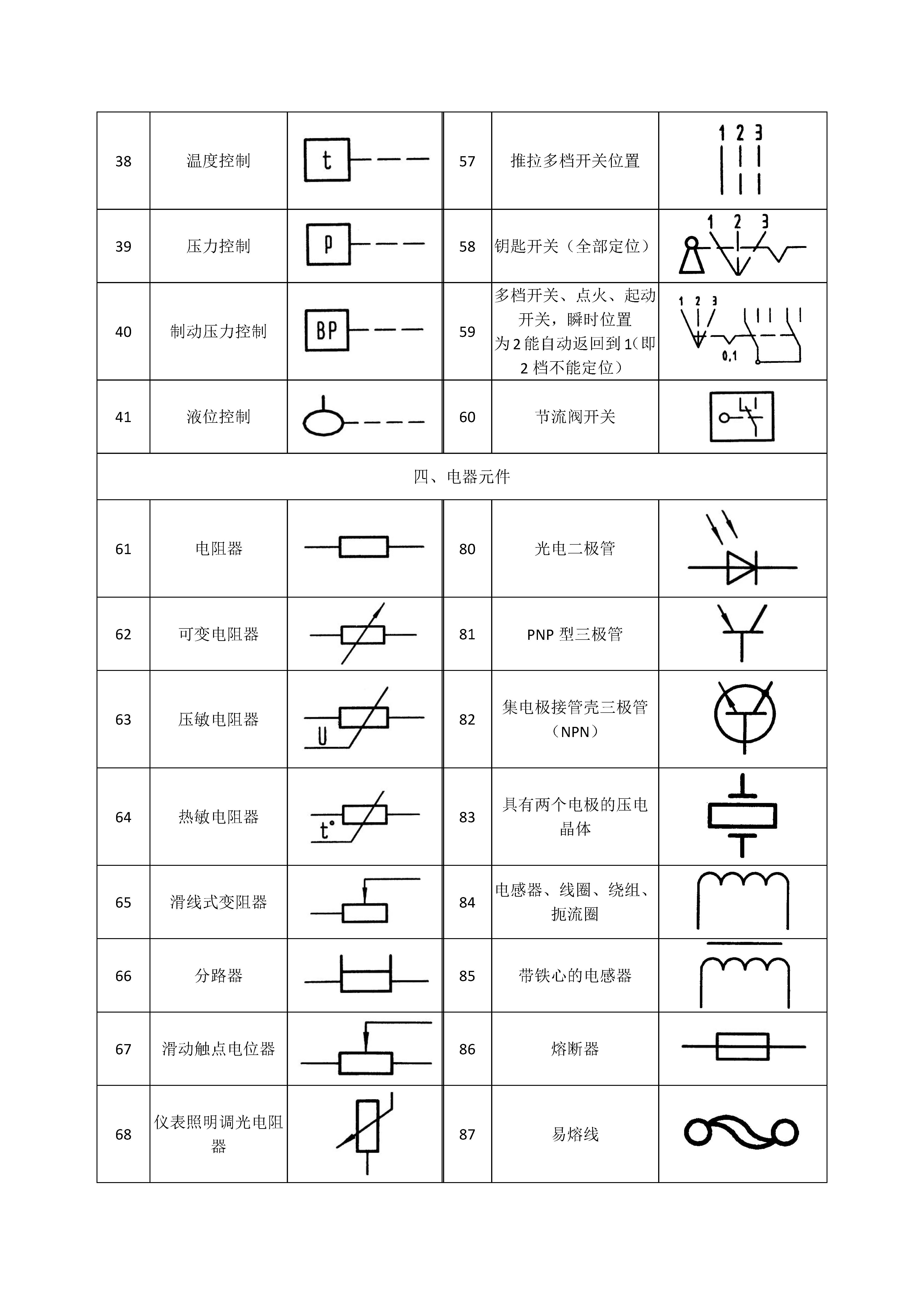
常用的图形符号、辅助文字符号