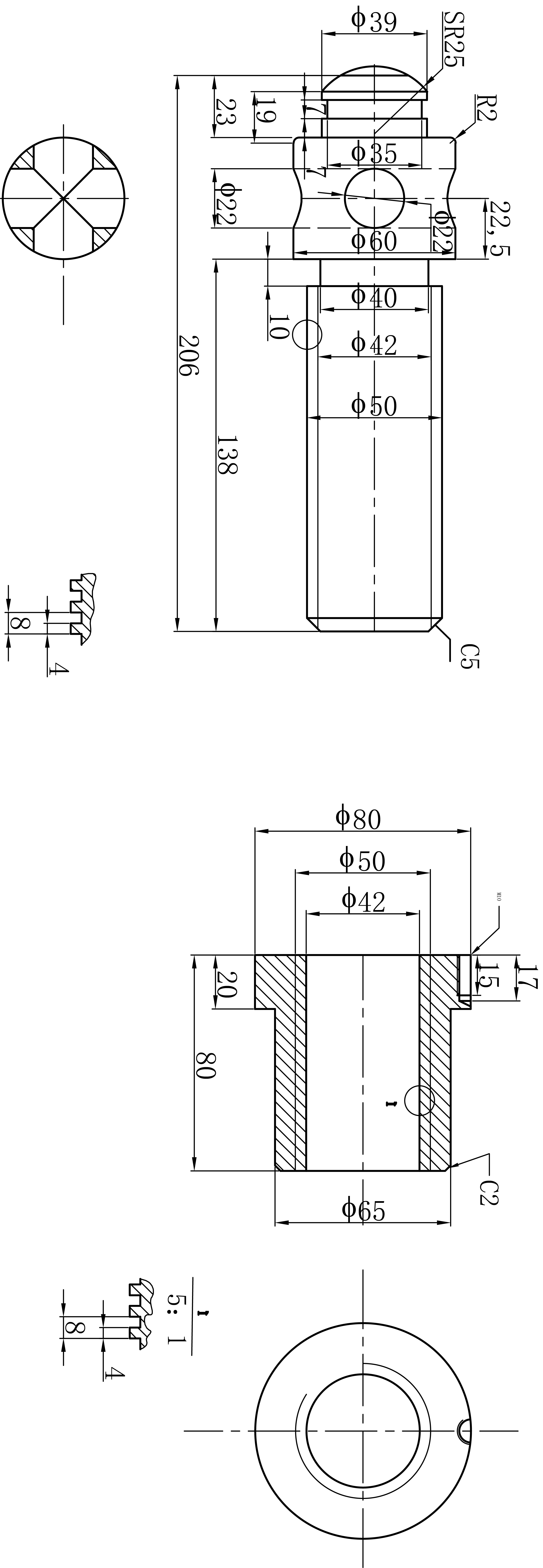
螺杆、螺套零件图